• Reklama
    A1 - kabe

Szukaj

    Reklama
    B1 - konica minolta 18.02.2022-31.12.2025 Bogumiła

    Aktualności i przegląd rynku

    Wydanie nr: 3(41)/2006

    Aktualności i przegląd rynku

    Lakiernictwo Proszkowe

    ponad rok temu  01.05.2006, ~ Administrator,   Czas czytania 4 minuty

    Strona 2 z 2

    286powloka_wosk.jpg

    Fot. 1. Powłoka woskowa

    286powloka_akryl.jpg

    Fot. 2. Powłoka poliestru w głębokim macie

    286powloka_dry_bend.jpg

    Fot. 3. Powłoka poliestru dry-blend

    286powloka_wypelniacz.jpg

    Fot. 4. Powłoka z matującym wypełniaczem

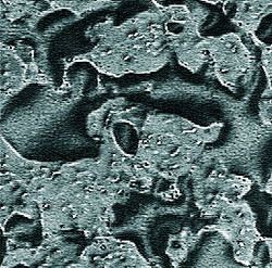
    286powloka_sr_mat2.jpg

    286powloka_sr_mat.jpg

    Fot. 5. i 6. Powłoka z środkiem matującym

    Rozumiejąc sposób pomiaru połysku powłoki oraz po przyglądnięciu się tym zdjęciom możemy zrozumieć jak błędne jest mierzenie farb strukturalnych, gdyż nigdy pomiar wykonany nie jest adekwatny do połysku odbieranego przez oko ludzkie. Tak jak oko ludzkie nie „widzi” nierówności w gładkich farbach matowych, tak przyrząd „nie wie”, że mierzy strukturę. Wykonywanie pomiarów połysku dla struktur może być co najwyżej pewnym indykatorem i służyć do celów porównawczych pomiędzy tą samą farbą. Należy jednak pamiętać, że tak jak będzie się różnił wygląd struktury w zależności od grubości, tak różne będą mierzone połyski. I podobnie: będzie to miało miejsce dla tej samej farby, ale malowanej na elementach o różnej grubości, gdyż bardzo często zdarza się tak, że struktura tym bardziej wyraźna, im cieńszy jest element malowany. Trzeba też zrozumieć, że im drobniejsza struktura, tym niższy mierzony jest połysk i o ile w przypadku grubych struktur wyniki jeszcze w miarę oddają sytuację – to w przypadku drobnych są już bardzo absurdalne.

    Jak określać połysk?

    W celu otrzymania farby o połysku żądanym, w przypadku farb gładkich najlepiej jest podawać wartość lub zakres, który nas interesuje, przy czym dla podanej wartości zawsze należy przyjąć drobną odchyłkę, np. +/- 5, która zazwyczaj nie jest do rozróżnienia przez oko ludzkie. Natomiast dla farb strukturalnych, w momencie kiedy potrzebujemy farbę o identycznym wyglądzie i połysku, najlepiej jest przysłać/pokazać wzorzec. Należy również pamiętać, aby farb metalicznych nie mierzyć połyskomierzami nieprzeznaczonymi do takich farb, gdyż płatki pigmentu metalicznego będą zachowywały się jak lustra i będą dobrze odbijały światło padające, zakłócając przy tym pomiar.

    Paweł Piłat

    Becker Farby Proszkowe sp. z o.o.

    ppilat@beckerfarby.pl